首页
关于我们
公司简介
企业文化
产品中心
接线端子
金属端子
储能连接器
排针排母类
冷压端子
应用场景
合作案例
新闻动态
公司新闻
行业新闻
服务支持
营销网络
联系我们
售后服务
简体中文
English
产品
文章
搜索
名称
描述
内容
思科德盈
当前位置:
首页
>>
排针排母类
>>
线对板连接器
>>
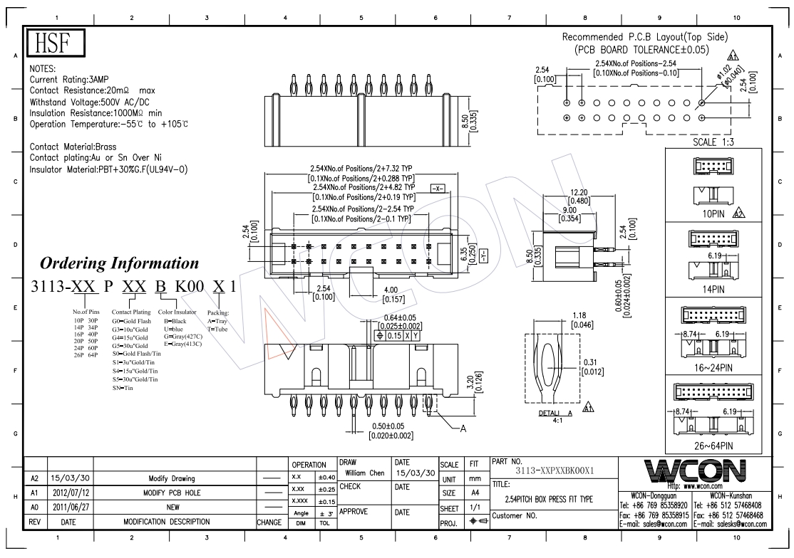
2.54MM 选镀半金 满PIN 180°DIP 简牛 生产
2.54MM 选镀半金 满PIN 180°DIP 简牛 生产
价格:
0.00
市场价:
0.00
商品信息
商品描述
上一个:
2.54MM 散......
下一个:
2.54间距 贴片......
产品中心
product
接线端子
欧式接线端子
栅栏式接线端子
插拔式接线端子
功率导轨式端子
普通导轨式端子
弹簧式接线端子
变频器专用接线座
金属端子
PCB板插板端子
贴版铜条
各类订制铜排/铝排
储能连接器
储能穿墙连接器
储能快插连接器
金属航插连接器
栅栏端子
排针排母类
线对板连接器
板对板连接器
I/O接口
冷压端子
裸端头
预绝缘端头
预绝缘端头(易进)
预绝缘端头(尼龙)
预绝缘端头(热缩)
快速接头
铜管端子
中间接头